Версия для печати Версия для печати

Geberit Duofix 111.300.00.5 инсталляция для подвесного унитаза Devon&Devon (UP320)

Цена: 14,000р.
На складе: да
Кол-во:  

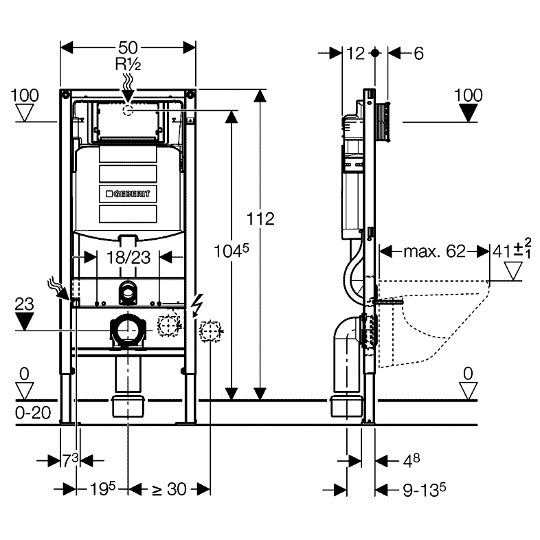
Инсталляция для подвесного унитаза Geberit (Швейцария) серии Duofix;

Комплектация: подключение к системе водоснабжения R 1/2 со встроенным угловым запорным вентилем и ручным маховичком, трубка для подвода воды Geberit AquaClean, колено смыва, защитная заглушка, коробка монтажная для окна обслуживания, 2 резьбовые шпильки М12 для крепления санфаянса, комплект соединительных патрубков для унитаза 90 мм, фановый отвод из ПНД 90 мм, переходный патрубок 90/110 мм, крепёжные элементы;

Монтаж: перед капитальной стеной или пустотелой перегородкой/скрытая установка в гипсокартонной перегородке или на капитальной стене с облицовкой панелями (гипсовыми или деревянными)/в пристенке в высоту помещения или в разделительной перегородке;

Ножки оцинкованные, с бесступенчатой регулировкой 0-20 см;

Опорная площадка поворотная, для монтажа в U-образный профиль UW 50 и UW 75;

Для унитазов с межосевым расстоянием под крепёжные шпильки 18 см или 23 см;

Особенности: простой монтаж, проведение работ по сервисному обслуживанию без применения инструментов, звукопоглощающее крепление для фанового отвода, регулируется по глубине в 8 положениях, диапазон регулировки 45 мм, регулируемый объём смыва;

Объём смыва, (л): 3-4/6-7,5 л;

Подвод воды: по центру сзади или сверху;

Дополнительно рекомендуем приобрести: клавишу смыва для унитаза Devon&Devon, Geberit Duofix комплект крепления к стене арт. 111.815.00.1 и звукоизоляцию;

Гарантия производителя: 10 лет.

Серия: DUOFIX
Тип изделия: инсталляция для унитаза
Производитель: GEBERIT
Страна: Швейцария
Работает на основе WebAsyst Shop-Script